Ana sayfa / Haberler

Haberler

Güç Tahrik Zinciri Seçimi Gereksinimleri

Güç Tahrik Zinciri Seçimi Gereksinimleri

Avantajı Güç Tahrik Zinciri çeşitli eşyaları taşıyabilmesidir. Genel olarak, aşındırıcı olmayan maddeler konveyör zincirleri ile taşı...

Çin Tahrik Zincirinin Kullanımına İlişkin Gereksinimler

Çin Tahrik Zincirinin Kullanımına İlişkin Gereksinimler

Kullanımı için gereklilikler Çin Tahrik Zinciri : 1. Dişli ile zincirin her zaman sorunsuz bir şekilde birbirine geçebildiğind...

Sessiz Zincir Üreticileri Zincirin Eskimesine Neden Olan Faktörleri Tanıtıyor

Sessiz Zincir Üreticileri Zincirin Eskimesine Neden Olan Faktörleri Tanıtıyor

Paslanmaz çelik zincir plakaları sıradan karbon çelik zincir plakalarından çok daha iyi olmasına rağmen, çevrede onları etkileyecek bazı maddele...

Tarımsal Zincir Üreticileri Zincir Hasarının Yaygın Nedenlerini Tanıtıyor

Tarımsal Zincir Üreticileri Zincir Hasarının Yaygın Nedenlerini Tanıtıyor

Tarım Zinciri Üreticiler zincir hasarının yaygın nedenlerini tanıtıyor: 1. Aşınma ve hasar Açık şanzımanda veya en kötü ka...

Şanzıman Zinciri Temizleme Becerileri

Şanzıman Zinciri Temizleme Becerileri

Şanzıman Zinciri temizlik becerileri: 1. Bazı kişilerin zinciri temizlerken güçlü asit veya deterjan kullandıklarını sıklıkla g...

Tahrik Zinciri Üreticileri Zincir Titreşiminin Üstesinden Gelme Yollarını Tanıtıyor

Tahrik Zinciri Üreticileri Zincir Titreşiminin Üstesinden Gelme Yollarını Tanıtıyor

Zincir kullanma sürecinde zincirde sorun yaşanması kaçınılmazdır. Aşağıda, Tahrik Zinciri Üreticiler zincirin titreme olgusunun nasıl...

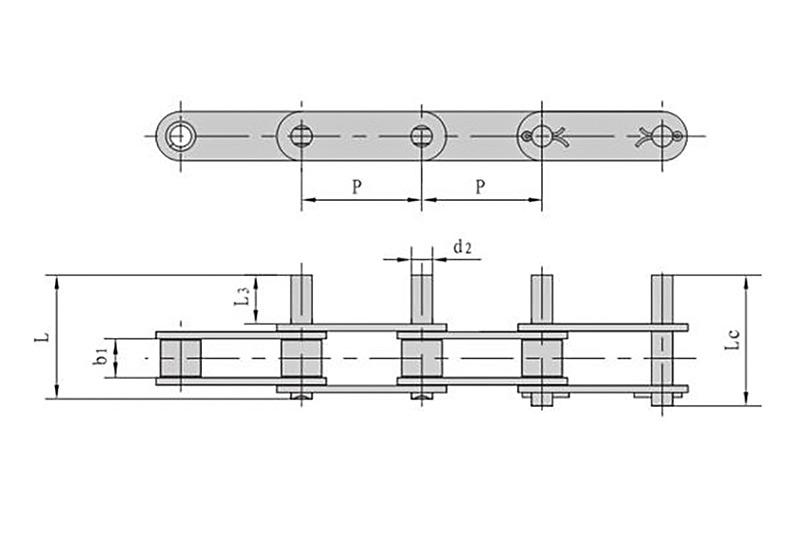
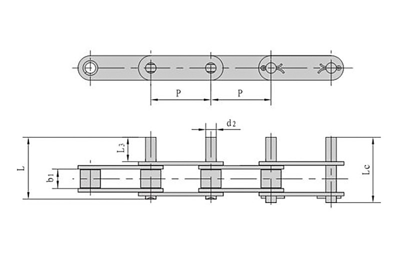
Konveyör Zincirinin Yapısal Özellikleri

Konveyör Zincirinin Yapısal Özellikleri

Taşıma zinciri ve zincirli konveyörlerin gelişimi tamamlayıcı niteliktedir. Zincirli konveyörlerle birleştirildiğinde, zincirli konveyör tasarım...

Endüstriyel Sprocket'in Temizleme Becerileri

Endüstriyel Sprocket'in Temizleme Becerileri

Endüstriyel Dişli Mekanik transmisyon ekipmanlarında yaygın olarak kullanılan bir bileşen olup, hayatımızın birçok merkezinde çeşitli zinc...

Yaprak Zincirin Kurulum Kılavuzu

Yaprak Zincirin Kurulum Kılavuzu

Günümüzde endüstriyel üretimde veya hayatta zincir figürünü göreceksiniz. Nasıl bir tarza sahip olursa olsun değerini ortaya koyacaktır. Örneğin...

Endüstriyel Zincir Bakım Gereksinimleri

Endüstriyel Zincir Bakım Gereksinimleri

Endüstriyel Zincir bakım gereksinimleri: 1. Paslanmaz çelik zincirin sıkılığı çok sıkı veya çok gevşek olmamalıdır, aksi takdird...

Makaralı Zincir Üreticisi Paslanmaz Çelik Zincir ile Karbon Çelik Zincir Arasındaki Farkı Tanıtıyor

Makaralı Zincir Üreticisi Paslanmaz Çelik Zincir ile Karbon Çelik Zincir Arasındaki Farkı Tanıtıyor

Makaralı Zincir Üreticisi paslanmaz çelik zincir ile karbon çeliği zincir arasındaki farkı ortaya koyuyor: 1. Paslanmaz çelik...

Motosiklet Zinciri Üreticisi Mekanik Ekipman Seçim Yöntemini Tanıtıyor

Motosiklet Zinciri Üreticisi Mekanik Ekipman Seçim Yöntemini Tanıtıyor

Motosiklet Zinciri Üreticisi Farklı makine spesifikasyonlarının kurulum gereksinimlerini karşılamak için paslanmaz çelik zincirlerin sp...