Ana sayfa / Haberler

Haberler

Yaprak Zincir Üreticileri Zincirin Temizlenmesine İlişkin Önlemleri Tanıtıyor

Yaprak Zincir Üreticileri Zincirin Temizlenmesine İlişkin Önlemleri Tanıtıyor

Paslanmaz çeliğin hammaddesi nispeten sert olduğundan piyasadaki zincirlerin çoğu paslanmaz çelikten yapılmaktadır. Güçlü yük taşıma kapasitesi,...

Endüstriyel Zincir Üreticileri Zincir Türünün Nasıl Ayırt Edileceğini Tanıtıyor

Endüstriyel Zincir Üreticileri Zincir Türünün Nasıl Ayırt Edileceğini Tanıtıyor

Konveyör zinciri, mobilya fabrikaları, boyama ekipmanı fabrikaları, püskürtme fabrikaları, elektronik fabrikaları, elektrokaplama fabrikaları, d...

Sessiz Zincir Üreticisi Zincirler İçin Makul Ölçüm Yöntemlerini Tanıtıyor

Sessiz Zincir Üreticisi Zincirler İçin Makul Ölçüm Yöntemlerini Tanıtıyor

yapar mı Sessiz Zincir Üretici zincirler için makul ölçüm yöntemlerinin neler olduğunu tanıtıyor mu? 1. Zincirin tüm bo...

Motosiklet Zinciri Üreticisi Paslanmaz Çelik Zincir Temizleme Yöntemini Tanıtıyor

Motosiklet Zinciri Üreticisi Paslanmaz Çelik Zincir Temizleme Yöntemini Tanıtıyor

Motosiklet Zinciri Üretici, evrensel iletim ekipmanı olarak paslanmaz çelik zinciri piyasaya sürüyor. Hiperbolik yay "zincir tokası" ta...

Makaralı Zincir Üreticileri Sprocket'in Diş Profili Tasarımı Prensibini Tanıtıyor

Makaralı Zincir Üreticileri Sprocket'in Diş Profili Tasarımı Prensibini Tanıtıyor

Makaralı Zincir Üreticiler dişli diş profilinin tasarım ilkelerini tanıtıyor: 1. Dişli çarkın diş profilinin şekli: üç yaylı ...

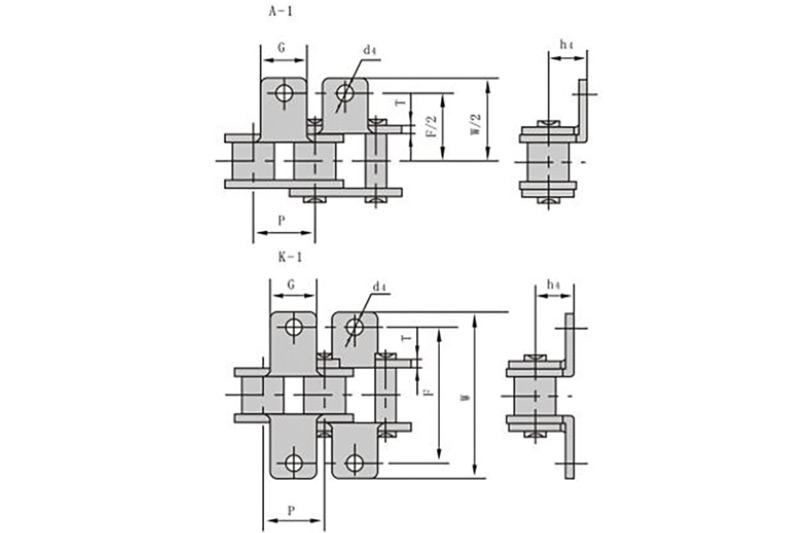
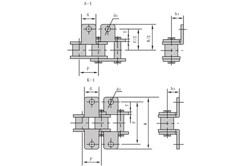
Tahrik Zinciri Üreticileri Sprocket'in Pratik Becerilerini Tanıtıyor

Tahrik Zinciri Üreticileri Sprocket'in Pratik Becerilerini Tanıtıyor

Tahrik Zinciri Üreticiler sprocket'in pratik becerilerini tanıtıyor: 1. Dişlinin sıkılığı uygun olmalıdır. Çok sıkı olm...

Tarımsal Zincir Kullanımına İlişkin Önlemler

Tarımsal Zincir Kullanımına İlişkin Önlemler

Tarım Zinciri hatalar takım hareketinin doğruluğunu etkileyebilir ve bazı durumlarda işleme doğruluğunu etkileyen ana faktördür. Örneğ...

İletim Zinciri Nasıl Düzgün Temizlenir

İletim Zinciri Nasıl Düzgün Temizlenir

Ayrıca sıcak sabunlu su veya el dezenfektanı kullanabilir veya atılmış bir diş fırçası veya biraz daha sert bir fırça kullanabilirsiniz. Doğrudan s...

Konveyör Zinciri Üreticileri Zincirin Günlük Bakımının Nasıl Düzgün Yapılacağını Tanıtıyor

Konveyör Zinciri Üreticileri Zincirin Günlük Bakımının Nasıl Düzgün Yapılacağını Tanıtıyor

Paslanmaz çelik kaldırma zinciri, kaldırılacak nesnenin kaldırma yüksekliğine göre zincirin uzunluğunu ayarlayabilir. Vinç için vazgeçilmez ve ö...

Endüstriyel Dişli Üreticileri Zincir Karbon Birikintileri İçin İşleme Tekniklerini Tanıtıyor

Endüstriyel Dişli Üreticileri Zincir Karbon Birikintileri İçin İşleme Tekniklerini Tanıtıyor

Mekanik ekipmanlarda paslanmaz çelik zincirler kullanıldığında, çoğu karbon birikintisi ve yağ lekesi olan bir miktar kir kaçınılmaz olarak biri...

Yaprak Zincir Üreticileri Zincirin Neden Kırılacağını Açıklıyor

Yaprak Zincir Üreticileri Zincirin Neden Kırılacağını Açıklıyor

Yaprak Zinciri Üreticiler zincirin kırılmasına neden olan sebepleri ve çözüm yollarını şöyle sıraladı: 1. Kullanım esnasında,...

Endüstriyel Zincir Üreticileri Yüksek Kaliteli Zincirlerin Özelliklerini Tanıtıyor

Endüstriyel Zincir Üreticileri Yüksek Kaliteli Zincirlerin Özelliklerini Tanıtıyor

Endüstriyel Zincir Üreticiler yüksek kaliteli zincirlerin özelliklerini tanıtıyor: 1. İyi güvenilirlik ve koruma. Konve...