Ana sayfa / Haberler

Haberler

Konveyör Zinciri Doğru Şekilde Nasıl Boyanır?

Konveyör Zinciri Doğru Şekilde Nasıl Boyanır?

Nasıl boyanır Konveyör Zinciri doğru: 1. Konveyör Zincirinin püskürttüğü ve tozladığı yüzey hemen astarlanmalıdır. Boya temiz...

Endüstriyel Sprocket'in Güç Unsurları Nelerdir?

Endüstriyel Sprocket'in Güç Unsurları Nelerdir?

gücü Endüstriyel Dişli iki unsurdan oluşur: hız ve tork; her ikisi de dişliler aracılığıyla iletilebilir. Su çarkı dönerken tork, diş...

Yaprak Zincir Üreticisi Zincir Yağlayıcılarının İçeriklerini Tanıttı

Yaprak Zincir Üreticisi Zincir Yağlayıcılarının İçeriklerini Tanıttı

Piyasada birçok çeşit zincir yağlayıcı bulunmaktadır. Yaprak Zinciri Üretici, zincir yağlayıcılarının bileşenlerinin neler olduğunu a...

Endüstriyel Zincir Üreticisi Zincirin Yağlama Formunu Tanıttı

Endüstriyel Zincir Üreticisi Zincirin Yağlama Formunu Tanıttı

Zincir yağlama türü, zincirin kullanım şekline bağlı olarak değişecektir. Endüstriyel Zincir Üretici, zincir tahriklerinin çoğunun da...

Sessiz Zincir Üreticileri Sprocket Kurulumuna İlişkin Önlemleri Tanıtıyor

Sessiz Zincir Üreticileri Sprocket Kurulumuna İlişkin Önlemleri Tanıtıyor

Sessiz Zincir Üreticiler dişliyi takarken nelere dikkat edilmesi gerektiğini tanıtıyor 1. Farklı sektörlerin makine ve ekipman ...

Motosiklet Zinciri Üreticileri Zincir Tahrik ve Dişli Dönüşünün Özelliklerini Tanıtıyor

Motosiklet Zinciri Üreticileri Zincir Tahrik ve Dişli Dönüşünün Özelliklerini Tanıtıyor

Motosiklet Zinciri Üreticiler zincir tahrikinin ve dişli dönüşünün özelliklerini tanıtıyor: 1. Zincirli tahrik sisteminin özell...

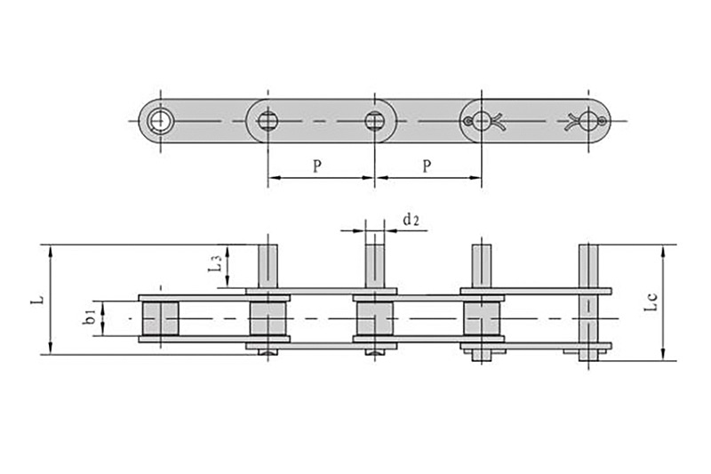
Makaralı Zincirin Yapısı

Makaralı Zincirin Yapısı

yapısı Makaralı Zincir : Dış zincir plakası ve pim mili, iç zincir plakası ve manşon sırasıyla sıkı geçme ile birbirine bağ...

Tahrik Zinciri Üreticileri Asılı Zincirler İçin Ortak Isıl İşlem Yöntemlerini Tanıtıyor

Tahrik Zinciri Üreticileri Asılı Zincirler İçin Ortak Isıl İşlem Yöntemlerini Tanıtıyor

Tahrik Zinciri Üreticiler süspansiyon zincirleri için ortak ısıl işlem yöntemleri sunar: tavlama, normalleştirme, söndürme, temperleme,...

Tarım Zincirinde Korozyonun 4 Yaygın Nedeni

Tarım Zincirinde Korozyonun 4 Yaygın Nedeni

Eğer Tarım Zinciri Normal kullanım sırasında paslanıyorsa nedenlerini analiz etmek gerekir. 1. Korozyon önleme adımlarına t...

İletim Zincirinde Yapışma-Kayma Olayını Doğru Şekilde Nasıl Ele Alırsınız?

İletim Zincirinde Yapışma-Kayma Olayını Doğru Şekilde Nasıl Ele Alırsınız?

Eğer Şanzıman Zinciri Tut-kaydır, üretim hattının sık sık kesintiye uğramasına, iş verimliliğinin düşmesine, ciddi korozyona ve kısa ...

Konveyör Zinciri Bakım Süreci

Konveyör Zinciri Bakım Süreci

Nasıl korunur Konveyör Zinciri : 1. Paslanmaz çelik konveyör zincirinin sıkılığı çok sıkı veya çok gevşek olmamalıdır, aksi t...

Endüstriyel Dişli Bakım İpuçları

Endüstriyel Dişli Bakım İpuçları

Nasıl korunur Endüstriyel Dişli : 1. Zincirin sıkılığı çok sıkı veya çok gevşek olmamalıdır, aksi halde zincir zarar görür. ...