Ana sayfa / Haberler

Haberler

İletim Zincirinin Tasarım Felsefesi ve İş Akışı

İletim Zincirinin Tasarım Felsefesi ve İş Akışı

Şanzıman Zinciri Ortak bir iletim kuvveti cihazı olarak, hiperbolik arkın "zincir" tasarımı yoluyla sürtünme kuvvetini azaltır. Gücün n...

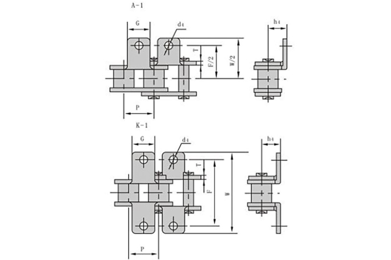
Makaralı Zincir Statik Elektrik Üretimini Nasıl Azaltır?

Makaralı Zincir Statik Elektrik Üretimini Nasıl Azaltır?

Makaralı Zincir bir tank zincirine benzer ve birçok ünite bağlantısından oluşur. Bağlantılar serbestçe dönebilir. Aynı serideki plaka z...

Makaralı Zincirin Neden Paslanacağını Kısaca Açıklayın

Makaralı Zincirin Neden Paslanacağını Kısaca Açıklayın

Çalışma ortamı nedeniyle Makaralı Zincir , doğal olarak bir miktar korozyon olacaktır, dolayısıyla Makaralı Zincirin korozyona uğrama...

Tahrik Zinciri Üreticisi, Zincir Taşıma Süresinin Neden Önyargılı Olacağını Açıkladı

Tahrik Zinciri Üreticisi, Zincir Taşıma Süresinin Neden Önyargılı Olacağını Açıkladı

Zincir iletimi ve taşımada yavaş yavaş hatalar olabilir. Çok büyük olmasa da zaman birikimi nedeniyle iletimde bazı hatalar olacaktır. Bu hata nası...

İletim Zincirinin Arızalanması Etkili Bir Şekilde Nasıl Önlenir?

İletim Zincirinin Arızalanması Etkili Bir Şekilde Nasıl Önlenir?

Üretim sürecinde Şanzıman Zinciri Zincirin arızalanması durumunda üreticinin arızanın spesifik formuna göre en uygun çözümü bulması g...

Konveyör Zincirinin Yaygın Hataları Nelerdir?

Konveyör Zincirinin Yaygın Hataları Nelerdir?

Konveyör Zinciri Gıda taşıma makineleri, gübre taşıma ekipmanları, madencilik makine zincirleri vb. gibi endüstriyel zincirlerde yaygı...

Yaprak Zincir Bakımına İlişkin Önlemler

Yaprak Zincir Bakımına İlişkin Önlemler

Ne zaman Yaprak Zinciri Zincir devreye girdiğinde takılıysa, zincirin normal çalışıp çalışmadığını ve testere zincirinin gerginliğini...

Endüstriyel Dişlinin Bakımı Nasıl Yapılır

Endüstriyel Dişlinin Bakımı Nasıl Yapılır

Bakımında Endüstriyel Dişli , dişlinin diş şekline dikkat edin. Dişlinin diş şekli, zincirin ağa sorunsuz ve enerji tasarrufu sağlay...

Makaralı Zincir Bakla Sayısı Çift Olmalı mı?

Makaralı Zincir Bakla Sayısı Çift Olmalı mı?

Makaralı Zincir Zincir uzunluğu bakla sayısıyla ifade edilir. Zincir baklalarının sayısı tercihen çift sayıdır, böylece zincirler bir ...

Endüstriyel Dişli Katı veya Telli Bir Dişlidir

Endüstriyel Dişli Katı veya Telli Bir Dişlidir

Endüstriyel Dişli Bir bakla zinciri veya kablo üzerindeki doğru adımlı bir blokla birbirine geçmek için kullanılan dişli tipi toka diş...

Hizmet Ömrünü Uzatmak İçin Endüstriyel Zincir Nasıl Korunur?

Hizmet Ömrünü Uzatmak İçin Endüstriyel Zincir Nasıl Korunur?

Endüstriyel Zincir uzun süreli kullanımdan sonra gevşeyecek, hatta bağlantı kesilecek mi ve bu tür sorunlar nasıl önlenir? Önceli...

Motosiklet Zincirini Değiştirme Adımları

Motosiklet Zincirini Değiştirme Adımları

ne zaman Motosiklet Zinciri Değiştirilecekse zincir ve dişlinin birlikte değiştirilmesi gerektiğine dikkat edilmelidir. Yeni zincir, ...