Ana sayfa / Haberler

Haberler

Sessiz Zincir Bakım Becerileri

Sessiz Zincir Bakım Becerileri

Zincir genellikle mekanik aktarım ve çekiş için kullanılan metal bir bağlantı veya halkadır. Gelin bakım yöntemlerine bir göz atalım. Sess...

Motosiklet Zincirindeki Hasarın Yaygın Sebepleri Nelerdir?

Motosiklet Zincirindeki Hasarın Yaygın Sebepleri Nelerdir?

Motosiklet Zinciri Ortak bir iletim kuvveti cihazı olarak sürtünmeyi azaltmak için hiperbolik yay "zincir" tasarımı kullanır. Gücün nispeten ...

Makaralı Zincirin Parçaları Nelerdir?

Makaralı Zincirin Parçaları Nelerdir?

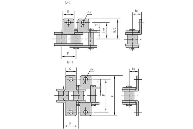
parçaları nelerdir Makaralı Zincir ? 1. Pim mili: Bir zincir menteşesinin dönme ekseni olarak kullanılan ince silindirik bi...

Tahrik Zinciri Üreticileri Zincir ve Dişli Arasındaki İlişkiyi Tanıtıyor

Tahrik Zinciri Üreticileri Zincir ve Dişli Arasındaki İlişkiyi Tanıtıyor

Tahrik Zinciri Üreticiler zincir dişlisinin bir zincir tarafından tahrik edildiğini ve model biriminin genellikle İngilizce olduğunu ta...

Tarımsal Zincir Üreticisi Zincirin Hazırlanmasını Tanıtıyor

Tarımsal Zincir Üreticisi Zincirin Hazırlanmasını Tanıtıyor

Tarım Zinciri Üretici, başlamadan önce zincirde vida olup olmadığını ve yapısal parçaların gevşek olup olmadığını kontrol etmek için zi...

Transmisyon Zinciri Üreticisi Zincirin Nasıl Korunacağını Tanıtıyor

Transmisyon Zinciri Üreticisi Zincirin Nasıl Korunacağını Tanıtıyor

Zincir, işlem sürecini çözmek için pas önleyici işleme tabi tutulduğunda, önce yüzeyindeki asitleme macununu silmek ve kaplamanın kalınlığının 0...

Yaprak Zincirinde Neden Yaygın Sapma Sorunları Vardır?

Yaprak Zincirinde Neden Yaygın Sapma Sorunları Vardır?

Paslanmaz çelik zincir alanında sürekli gelişme trendi ile birlikte paslanmaz çelik zincir ürünleri de yaygın olarak kullanılmaya başlanmıştır. ...

Endüstriyel Zincirin Günlük Bakım Detayları

Endüstriyel Zincirin Günlük Bakım Detayları

Endüstriyel Zincir öyle avantajları ve günlük bakım ayrıntıları: 1. Tahrik zinciri yön dışındaysa, tahrik milini...

Sessiz Zincir Üreticileri Paslanmaz Çelik Dişli Hatasının Doğru Şekilde Nasıl Başa Çıkılacağını Tanıtıyor

Sessiz Zincir Üreticileri Paslanmaz Çelik Dişli Hatasının Doğru Şekilde Nasıl Başa Çıkılacağını Tanıtıyor

Sessiz Zincir Üreticiler paslanmaz çelik zincir dişlisi hatasıyla doğru şekilde nasıl başa çıkılacağını tanıtıyor? Pasl...

Motosiklet Zinciri Üreticileri Sprocket'in Yaygın Sorun Giderme Yöntemlerini Tanıtıyor

Motosiklet Zinciri Üreticileri Sprocket'in Yaygın Sorun Giderme Yöntemlerini Tanıtıyor

Motosiklet Zinciri Üreticiler dişliyle ilgili genel sorun giderme yöntemlerini sunar: 1. Paslanmaz çelik dişlinin eşit ...

Makaralı Zincir Üreticileri zincir dişlisindeki hatalarla doğru şekilde nasıl başa çıkılacağını tanıtıyor

Makaralı Zincir Üreticileri zincir dişlisindeki hatalarla doğru şekilde nasıl başa çıkılacağını tanıtıyor

Paslanmaz çelik dişlide bir hata oluştuğunda sorunu çözmek için acele etmemeliyiz. Hadi takip edelim Makaralı Zincir Üreticilerin zin...

Tahrik Zinciri Üreticileri Hasarlı Dişli Rulmanlarının Hızlı Bir Şekilde Nasıl Çıkarılacağını Tanıtıyor

Tahrik Zinciri Üreticileri Hasarlı Dişli Rulmanlarının Hızlı Bir Şekilde Nasıl Çıkarılacağını Tanıtıyor

Tahrik Zinciri Üreticiler hasarlı zincir dişlisi yataklarının nasıl hızlı bir şekilde çıkarılacağını tanıttı: 1. Makaralı ru...